提示
提示
添加到分组:
+新增分组
新分组名称:
保存
取消
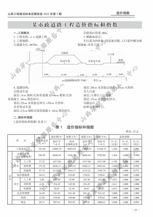
山西省某市政道路工程造价指标和指数(2025年第5期)(点击下载文件)
发表于2026-02-06 10:04:45 浏览数:2829
0
造价知识
0
加入会员开始询价
点击下载源文件
来源:山西省住房和城乡建设厅
山西省某市政道路工程造价指标和指数(2025年第5期)
附件:某市政道路工程造价指标和指数(2025年第5期)
发表日期: 2025-12-08
来源: 询价无忧网 (www.xunjia51.com ) 仅供交流学习,如有侵权请联系删除。 查看更多信息>
关注公众号!
百万资料等您下载
点击下载源文件
免责声明:BBS所有内容均为网友上传,仅供学习交流,如有侵权请通知我们删除。
关注公众号!
百万资料等您下载
最热
-
2020定额人工费调整文件(2024年1月1日起执行)
2025-01-15 19:52:50
76855
0
-
火碱,化学名称为氢氧化钠
2025-01-15 19:55:02
23338
0
-
不同等级道路工程造价参考指标
2025-07-10 10:27:58
4761
0
-
2024年9月3日,今日铜价上涨!镍、锡、锌、铅价格
2025-01-15 19:54:51
27042
0
-
全过程工程咨询服务费取费标准(2024收藏版)
2025-01-15 19:55:34
16835
0
1/0
询价无忧网
消息
VIP服务/无忧豆
用户中心
退出登录