提示
提示
添加到分组:
+新增分组
新分组名称:
保存
取消
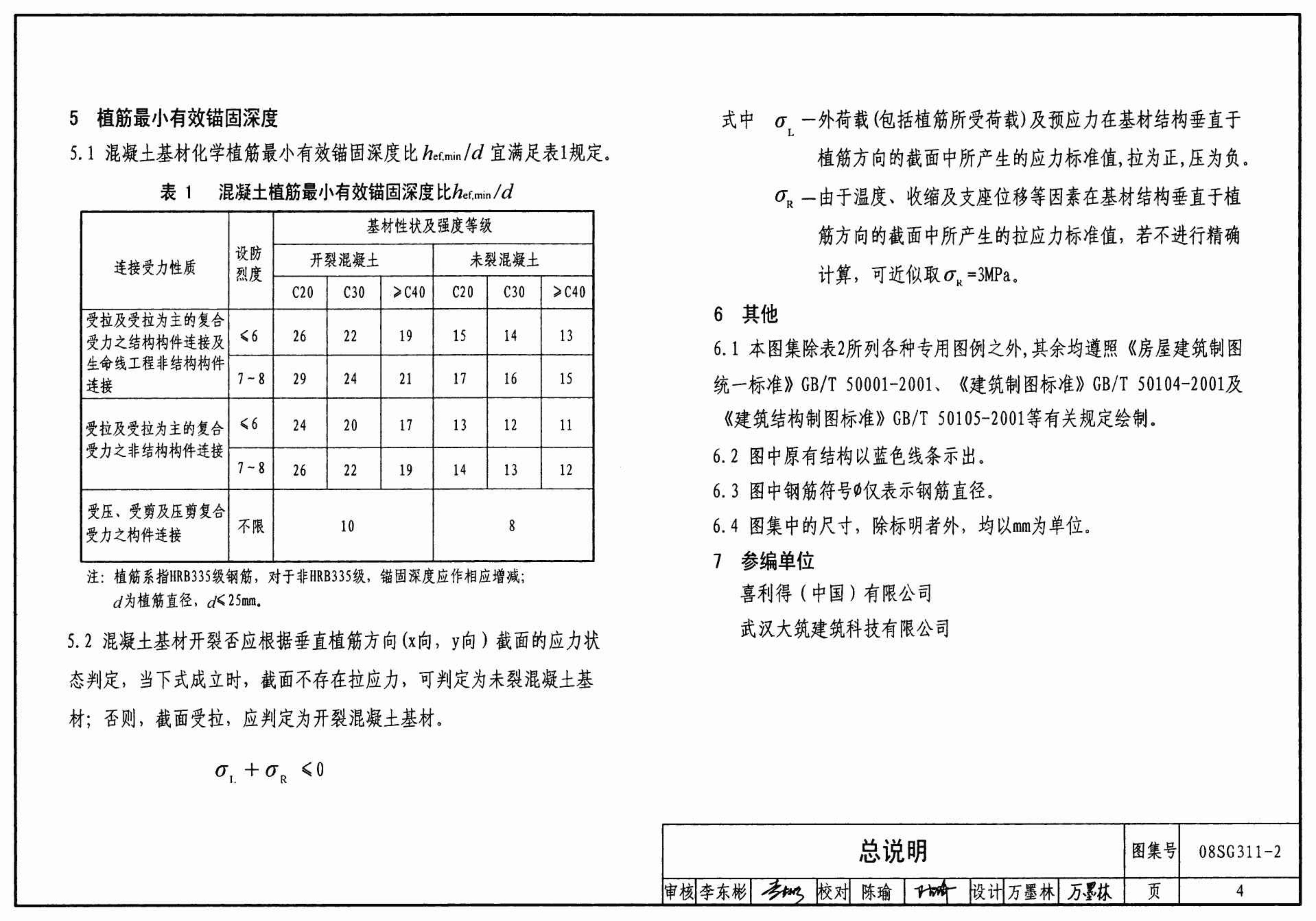
08SG311-2 混凝土结构加固构造(地基基础及结构整体加固改造)
发表于2025-01-15 19:51:26 浏览数:95956
造价知识
加入会员开始询价
点击下载资料
08SG311-2 混凝土结构加固构造(地基基础及结构整体加固改造)
_00.jpg)
_01.jpg)
_02.jpg)
_03.jpg)
来源: 询价无忧网 (www.xunjia51.com ) 仅供交流学习,如有侵权请联系删除。
关注公众号!
百万资料等您下载
点击下载资料
免责声明:BBS所有内容均为网友上传,仅供学习交流,如有侵权请通知我们删除。
关注公众号!
百万资料等您下载
最新
1/0
询价无忧网
消息
VIP服务/无忧豆
用户中心
退出登录